電磁流量計空管檢測裝置要求
1.一種適用于工頻正弦交流勵磁的電磁流量計空管檢測裝置,包括一個有工頻正弦交流勵磁的電磁流量計傳感器和一個空管檢測裝置電路,基特征在于電磁流量計傳感器在工頻交流勵磁下,產生交變磁場,導電流體在交變磁場中切割磁力線產生感應電勢信號,通過電磁流量計傳感器上的兩個電極,輸出至空管檢測裝置電路,經過該電路對信號進行調理后,再通過電纜輸出至電磁流量計信號轉換器。
2.要求中所述的空管檢測裝置,其特征在于所述的電路中產生高頻方波激勵,經模擬電路轉換為高頻正弦激勵信號,該正弦激勵信號直接施加在,電磁流量計傳感器的其中一個電極與地之間;
3.要求中所述的空管檢測裝置中,其特征在于所述的電路中產生高頻方波激勵,經模擬電路轉換為高頻正弦激勵信號,該正弦激勵信號直接施加在,電磁流量計傳感器的兩個電極之間;
4.要求中所述的空管檢測裝置中,其特征在于所述的電路就近放置于電磁流量計傳感器電極的出線處(或者是傳感器內部),經過信號處理后再通過電纜傳輸至電磁流量計信號轉換器。
5.要求中所述的空管檢測裝置中,其特征在于所述的電路是有一個高通濾波電路將,用于空管檢測信號的髙頻正弦激勵信號提取岀來,有一個低通濾波電路將,電磁流量計傳感器的感應電勢信號提取出來;實現高頻正弦激勵信號與傳感器的感應電勢信號相互分離
6.根據權利要求1中所述的空管檢測裝置中,其特征是與電磁流量計信號轉換器連接的二芯電纜上,其中一根導線進行供電,另外一根導線用于傳輸經過調理后的流速信號;電源與流速信號的傳輸,是共用一根二芯電纜
7.根據權利要求1中所述的空管檢測裝置中,其特征是在供電電纜上疊加經過調制的數字信號,用于空管檢測裝置與電磁流量計信號轉換器之間傳輸數據
一、技術領域
本實用新型涉及一種在測量流體流速的電磁流量計中,用于判斷管道中是否存在液體介質的裝置,即空管檢測裝置。該裝置不需要在測試管上增加測量電極,而是直接在電磁流量計現有的測量電極上,施加激勵電流的方式來檢測管內流體介質的電導率,以此作為判斷是否為空管狀態的依據。該裝置不僅適用于液固兩相流體,而且還可用于其他需要測量流體(包括液體和液固兩相流體)電導率
二、電磁流量計背景技術
電磁流量計是利用法拉第電磁感應原理在一個激勵磁場下流體切割磁力線產生感應電勢來進行測量,傳感器兩電極輸岀與流體流速成正比的感應電勢。因此,電磁流量計主要是一種測量流體流速的儀器。由于空管會造成電磁流量計的電極暴露在空氣中,容易引入電磁騷擾,造成電磁流量計錯誤的輸岀流速信號;隨著電磁流量計的應用越來越多,希望電磁流量計在技術上能具有對流體導電率或內阻進行定量監測的能力,當檢測到電磁流量計是空管時,則無條件的輸出零流速。目前有采用電容耦合高頻方法來判別傳感器空管故障的流體電導率相對變化閾值檢測方法,但采用相對電導率檢測存在對低電導率流體測量不準確的問題,且對于液圊兩相流體的電導率不穩定,測量非常容易出現誤判空管的情況;申請號為94193261.3專有利用附加峰峰值為14ν頻率為0.5z的方波交流激勵來連續檢測空管,不極化電極且可使用高分布電容的電纜來工作,但由于空管檢測信號小于激勵頻率很容易受到由實際流體流動所產生的流量噪聲所影響,且0.5z激勵信號與工頻50HL信號難以分離,不適用于工頻正弦交流勵磁。有公開號為CN1731106A專有采用串接激勵的方法解決電磁流量計對低電導率流體測量的技術。公開號為CN1760643A專有采用并聯式激勵實現了對流體測量實時動態監控。然而公開號為CN1731106A、CN1760643A專有均存在同樣的問題,對于正弦交流勵磁來說,其采取的激勵措施使得附加激勵產生的流體阻抗信號與磁場激勵下的流量信號難以分離,彼此之間存在干擾的現象難以消除,使得測量結果可能不準。公開號為CNI01718565A專有采用電極兩端串接由光電轉換器產生的激勵信號,提供了一種既能保持在磁場激勵下的高性能流量測量特性,又能在附加電勢激勵下對電極兩端間流體阻抗進行監測,但電路結構相對復雜化,同時由于不能連續測量流體阻抗,所以不適用工頻正弦交流勵磁的電磁流量計因此,對于采用工頻正弦交流勵磁的電磁流量計,對流體電導率或內阻進行定量的動態監測還沒有較為理想的方法應用于產品中,一定程度上妨礙了電磁流量計向低成本、多功能化和高可靠性方面發展。
本實用新型目的是為了克服現有技術不足和滿足產品的實際需要,提供一種適用于工頻正弦交流勵磁的電磁流量計空管檢測裝置,它具有簡單的電路結構,可實現與流速測量信號之間相互分離,連續的測量流體電導率,對低電導率流體也能監控,且對信號傳輸電纜的分布電容沒有要求。
為了達到上述目的,本實用新型的空管檢測裝置包括一個差分放大電路,一個濾波電路,一個電源供電電路和由CPU控制的激勵電路及通信接口。由CPU控制口產生正弦高頻激勵電流,用于測試流體的電導率,直接施加在其中一個電極與地或者是兩個電極之間,由此產生被測流體電導率的測量信號,該測量信號與流體電導率成線性關系,該測量信號以下簡稱為“空管檢測信號”;經過濾波電路將空管檢測信號與流速測量信號相互分離,獲得的空管檢測信號經過CPU數字濾波處理,可連續不間斷的采集當前流體的纟色對電導率,通過CPU內部預先設置的空管閾值相比較,來判斷是否為空管。由于電導率僅與流體介質
自身有關,通過測量其電導率,就可以準確的判斷流體的特征,因而將空管檢測的閾值設定為一個可調參數,使其適用范圍更廣,更有利于解決由于管道內壁上殘流的液體而造成誤判空管問題。沒有使用通常的分時復用檢測方法,采用了連續檢測方式,是為了適應正弦交流勵磁的電磁流量計的特性,而專門設計的方案。
由于采用的是連續測量流體電導率,為了盡可能降低空管檢測信號對流速測量信號的影響,需要提高空管檢測信號的頻率,才能使用濾波電路將空管檢測信號與流速測量信號之間相互分離;電磁流量計傳感器的輸出流速測量信號是通過電纜與信號轉換器進行連接,為了減少外界的電磁干擾,該電纜通常使用屏蔽電纜,該電纜不可避免的存在較大的分布電容,電纜每米長度的分布電容甚至達到了數百PF的電容值,由于空管檢測信號的頻率提高有利于與流速測量信號相互分離,但由于電纜分布電容的影響,該分布電容會損耗空管檢測信號,特別是長距離的屏蔽電纜,會直接影響到空管檢測信號對于流體電導率的測試。為了解決上述問題,確保微弱的空管檢測信號不失真的傳輸,空管檢測裝置就近放置于電磁流量計傳感器的出線處,正弦高頻激勵電流直接施加在,電磁流量計傳感器的其中個電極與地或者是兩個電極之間,空管檢測裝置通過判斷空管檢測信號,直接打開或者是關閉電磁流量計傳感器與信號轉換器之間的信號,實現了空管時無流速信號輸出,即當檢測到電磁流量計是空管時,則無條件的輸出零流速空管檢測裝置就近放置于電磁流量計傳感器的岀線處,解決了髙頻率空管檢測信號對電纜分布電容大小的要求。由于電磁流量計傳感器與信號傳換器之間通常只有用于傳輸流速測量信號的二芯屏蔽電纜,并沒有低壓直流電源供給電纜,為了滿足通用的安裝習慣,不對空管檢測裝置另外增加供電電纜,空管檢測裝置的供電電源使用二芯屏蔽電纜的其中一根導線進行供電,另外一根導線用于傳輸經過調理后的流速的測量信號;空管檢測裝置的空管閾值參數設置,則使用數字調制方式,疊加在供電電源的電纜上進行傳輸,由于數字編解碼是已知的技術,所以在這里不進行說明。本實用新型的空管檢測裝置不僅可以用于挖泥船上的電磁流量計,也可以用于其他需要測量流體(包括液體和液固兩相流體)電導率或內阻且使用工頻正弦交流勵磁的情在電磁流量計產品中,采用本實用新型的空管檢測產品后,電磁流量計實現對流體電導率或內阻進行定量的實時動態監測,對低電導率流體也能監控:且與流速測量信號之間相互分離,并采用連續測量方式,為了適應液固兩相流體的電導率突變問題,使用數字濾波算法,具有電路結構簡單,同時也提髙了空管檢測的準確率;空管檢測裝置就近放置于電磁流量計傳感器的出線處,對信號傳輸電纜的分布電容大小沒有要求的特點,更有利于電磁流量計產品向低成本、多功能化和高可靠性方面發展。
四、附圖說明
圖1是一種原有電磁流量計的電路結構示意圖

圖2是一種原有帶空管檢測的電磁流量計的電路結構示意圖

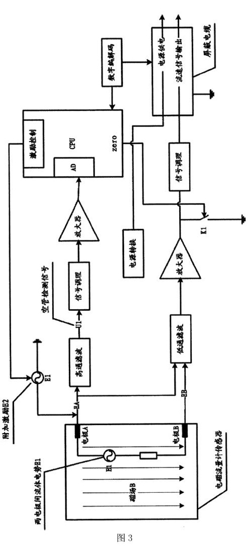
圖3是一個電極與地之間施加空管檢測信號的電磁流量計的電路結構示意圖

圖4是兩個電極之間施加空管檢測信號的電磁流量計的電路結構示意圖
五、具體實施方式
見圖1示意圖中,電磁流量計傳感器在交流勵磁下,產生交變磁場,導電流體在交變磁場中切割磁力線產生感應電勢E1,通過屏蔽電纜輸出至遠端信號轉換器的主控制電路板,在主控制電路板上輸出流速信號并顯示見圖3、圖4示意圖中,由CPU控制口產生周期為l6us的高頻激勵,經模擬轉換為高頻正弦激勵E2,該正弦激勵直接施加在,電磁流量計傳感器的其中一個電極與地或者是兩個電極之間,(圖3是一個電極與地之間施加空管檢測信號的電磁流量計的電路結構圖,圖4是兩個電極之間施加空管檢測信號的電磁流量計的電路結構圖);由此產生被測流體內阻Rl的測量信號U1,該測量信號U1與流體內阻R1成線性關系U1=K*R1(K為已知系數)。不可避免的是流體內阻測量信號與流體流速測量信號同時存在,二者混在一起,再經過高通濾波電路將空管檢測信號提取岀來,此時對流速信號衰減在60dB以上,經CPU實時采樣并經過數字濾波后,與設定的閾值(可調參數)相比較,若判斷為空管,則CPU發出zero信號,立刻閉合開關K1關閉流速測量信號,使信號轉換器顯示為零,否則斷開開關KI正常輸出流速信號。而電極上流速測量信號經過低通濾波電路,此時對空管檢測信號衰減60B以上,再經過信號調理電路后輸出流速信號,實現與空管檢測信號相互分離,從而保證流速測量的準確度。
見圖2示意圖中,是一種原有的帶空管檢測的電磁流量計的電路結構圖,由于電纜分布電容的影響,該分布電容對高頻率的空管檢測信號有一定的損耗,特別是長距離的屏蔽電纜,會直接影響到空管檢測信號對于流體電導率的測試,所以該結構并不適合,本實用新型提出的高頻率信號空管檢測方式。結合圖3和圖4可以看出為了保證微弱的空管檢測信號不失真的傳輸,空管檢測裝置就近放置于傳感器出線處(傳感器內部),進行信號處理后再通過屏蔽電纜傳輸,從而徹底的徹底解決了髙頻率空管檢測信號對電纜分布電容大小的要求。
由于電磁流量計傳感器與信號傳換器之間通常只有用于傳輸流速信號的二芯屏蔽電纜,并沒有低壓直流電源供給電纜,為了滿足通用的安裝習慣,不再對空管檢測裝置另外增加供電電纜,空管檢測裝置的供電電源使用二芯屏蔽電纜的其中一根導線進行供電,另外一根導線用于傳輸經過調理后的流速信號;實現直流供電與信號傳輸共用一根二芯屏蔽電纜。
根據不同的使用環境,信號傳換器需要調整空管檢測裝置的空管閾值參數設置時,則使用數字信號調制方式,該信號疊加在供電電源的電纜上進行傳輸,方便在現場調整空管檢測裝置的參數,滿足不同的使用條件。由于數字編解碼是已知的技術,所以在這里不詳細進行說明。
以上所述,為本實用新型電磁流量計空管檢測裝置較佳的具體實施方式
上一條:
一種應用于電磁流量計極化電壓檢測的電路
下一條:
恒磁式電磁流量計的極化電壓控制方法研究